Becker County Parcel Information
New
Search
Values &
Taxes
Zoning
Info
Land
Info
Res.
Bldg.
Yard
Items
Sales
Info
Summary
Parcel Number:
120060002
GIS Map - NEW & Mobile Friendly
or GIS Map -
Legacy Version
Property Address:
38015 LLOYD LARSON LN S
PONSFORD
Owner Name:
ALAN J & KAREN S HEFNER
Owner Address:
38015 LLOYD LARSON LN S
PONSFORD MN 56575
Legal Description:
Section 08 Township 142 Range 037
PT GOVT LOT 4; BEG 497.24' W OF SE COR TH NE 170.37', W 305.04' TO LK, SW AL LK 225', & E AL S LN 328.52' TO BEG
Valuation & Taxation
top
Tax Assessment Year
2025 Values
2024 Values
2023 Values
Estimated Building & Improvements Value
$373,000
$371,500
$335,100
Estimated Land Value
$326,000
$270,400
$251,800
Estimated Machinery Value
Total Estimated Value
$699,000
$641,900
$586,900
Tax Payable Year
2025 Payable
2024 Payable
Taxable Market Value
$641,900
$586,900
Tax Details -
please see statement
2025 Statement
2024 Statement
Total Tax Levied
$3,886.00
$3,728.00
Total Payments
-$3,886.00
-$3,728.00
Unpaid Balance
$0.00
$0.00
No prior years unpaid.
MN Allocation Information
top
Rec #
Allocation Description
Alloc. Value
1
Res 1 unit - Full Homestead
$699,000
Zoning Information
top
Zoning District
Township
Forest
Zoning District
Residential
Other Descriptions
Zoning Permits
Type
Status
Details
Site
Approved: 07/08/24
Storage Shed (14x16, 10ft high)
Site
Approved: 12/02/21
Addition or Repairs to Existing Home (26' x 38')
Screened Porch (8' x 26')
Deck - Impervious (40' x 12')
Site
Approved: 08/02/17
Det. Garage: New Det Gar (28x25' 8")
Other Item: Concrete/Apron (30x2)
Imaged Files
Document Type
Available Years
Septic
 
2021
 
2020*
* A '2020' PDF will contain ALL the septic documentation available from the earliest years on file up through and including the year 2020.
Land Information
top
*NOTICE* Sizes are for assessment purposes only and may NOT represent actual dimensions. For more accurate, complete data refer to plat maps, or legal documents.
Deed Acres
Front Ft.
Sq. Ft.
Est. Acres
1.3
225
1.295
Description
Flags
Size
120103 BAD MEDICINE LK SITE
1 UT
601420 WATER/SEWER/ELEC
1 UT
120107 FF-BAD MEDICINE-POOR
172 FF
120106 FF-BAD MEDICINE-FAIR
53 FF
129501 BLDG SITE ACRE
0.377 AC
999997 ACRES NO VALUE
0.918 AC
Residential Buildings
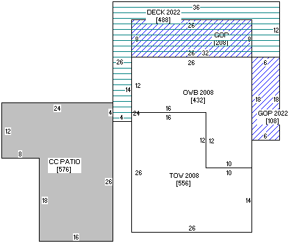
top
Res Bldg # 1 details:
Occupancy
Single-Family / Owner Occupied
Year Built
2008
Bldg Style
2 Story Frame
Arch Style
Walkout
Area
1544 SqFt
Condition
Normal
Basement
Full
Heating
Heat Pump
AC
Yes
Attic
None
Foundation
Poured Concrete
Roof
Gable/Asph
Ext Walls
Log
Int Walls
Drywall
Floor
Laminate
Rms Above Ground
3
Rms Below Ground
0
Bedrms Above
2
Bedrms Below
0
Building sketch:
Open sketch in new
window ⇒
Addition # 1
Year Built
2008
Style
1 Story Frame
Area SF
432
Condition
Normal
Bsmnt SF
432
Heat
Heat Pump
AC
Yes
Attic SF
0
Garage # 1
Year Built
2017
Style
Det Frame
Area SF
728
Condition
Normal
Bsmnt SF
0
Qtrs Over Style
None
Qtrs Over SF
0
Qtrs Over AC
0
Porch # 1
Area SF
208
Style
1S Frame Open
Bsmnt SF
0
Qtrs Style
Frame
Qtrs SF
0
Qtrs AC
Yes
Porch # 2
Area SF
108
Style
1S Frame Open
Bsmnt SF
0
Qtrs Style
Frame
Qtrs SF
0
Qtrs AC
Yes
Plumbing
Style
Count
Standard Bath - 3 Fixt
1
Basement Finish
Type
Range
Area SF
Living Qtrs. (Multi)
Avg
988
Fireplace
Descr
Story Ht
Count
Masonry w/Gas Insert
2 Story
1
Decks & Patios
Style
Area SF
Vinyl/CompoDeck
488
Concrete Patio
576
Yard Items
top
Yard Item # 1 details:
Descr
Shed
Year Built
2010
Item Count
1
Condition
Normal
Type
Frame Shed
Pricing
High
Width
10.00
Length
14.00
Area
140 Square Feet
Yard Item # 2 details:
Descr
Paving - Concrete
Year Built
2019
Item Count
1
Condition
Normal
Paving Type
Concrete Parking
Price Method
Per Square Foot
Pricing
Average
Quantity
324 Square Feet
# of Spaces
0
Lighting
None
Yard Item # 3 details:
Descr
SHED
Year Built
2024
Item Count
1
Condition
Normal
Type
Frame Shed
Pricing
Average
Width
14.00
Length
16.00
Area
224 Square Feet
Yard Item # 4 details:
Descr
ADDN TO SHED
Year Built
2024
Item Count
1
Condition
Normal
Type
Frame Shed
Pricing
Low
Width
8.00
Length
14.00
Area
112 Square Feet
Sales Information
top
Sale Date: 5/21/2007 - Property Type: Season Rec. - bare land
Buyer
HEFNER, ALAN J & KAREN S
Seller
LARSON, CORMAN JR ET AL
Sale Price
$115,000
Ins Type
Warranty Deed
Adj Sale Price
$115,000
Q/U
Q
Adj Reason
Q/U Reason
Good sale