Becker County Parcel Information
New
Search
Values &
Taxes
Land
Info
Res.
Bldg.
Yard
Items
Sales
Info
Summary
Parcel Number:
492542605
GIS Map - NEW & Mobile Friendly
or GIS Map -
Legacy Version
Property Address:
940 SOUTH SHORE DR
DETROIT LAKES
Owner Name:
TYLER A BRANDT
Owner Address:
4609 33RD AVE S # 300
FARGO ND 58104
Legal Description:
WIM-MAR BEACH 138 41 Block 001
LOT 5 REF:19.1924.255
Valuation & Taxation
top
Tax Assessment Year
2025 Values
2024 Values
2023 Values
Estimated Building & Improvements Value
$1,703,200
$1,759,000
$1,451,800
Estimated Land Value
$726,500
$726,500
$695,800
Estimated Machinery Value
Total Estimated Value
$2,429,700
$2,485,500
$2,147,600
Tax Payable Year
2025 Payable
2024 Payable
Taxable Market Value
$2,485,500
$2,147,600
Tax Details -
please see statement
2025 Statement
2024 Statement
Total Tax Levied
$28,186.00
$24,674.00
Total Payments
-$28,186.00
-$24,674.00
Unpaid Balance
$0.00
$0.00
No prior years unpaid.
MN Allocation Information
top
Rec #
Allocation Description
Alloc. Value
1
SRR - Non-Homestead
$2,429,700
Land Information
top
*NOTICE* Sizes are for assessment purposes only and may NOT represent actual dimensions. For more accurate, complete data refer to plat maps, or legal documents.
Deed Acres
Front Ft.
Sq. Ft.
Est. Acres
117
Description
Flags
Size
490181 SE BIG DETROIT (SITE)
1 UT
490180 FF-SE BIG DETR-GOOD
117 FF
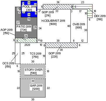
Residential Buildings
top
Res Bldg # 1 details:
Occupancy
Single-Family / Owner Occupied
Year Built
2019
Bldg Style
1 Story Frame
Arch Style
Walkout
Area
4590 SqFt
Condition
Normal
Basement
Full
Heating
HW - Radiant
AC
Yes
Attic
None
Foundation
Poured Concrete
Roof
Flat
Ext Walls
Fiber Cement
Int Walls
Drywall
Floor
Hardwood
Rms Above Ground
0
Rms Below Ground
2
Bedrms Above
4
Bedrms Below
0
Building sketch:
Open sketch in new
window ⇒
Addition # 1
Year Built
2019
Style
2 Story Frame
Area SF
750
Condition
Normal
Bsmnt SF
0
Heat
HW - Radiant
AC
Yes
Attic SF
0
Addition # 2
Year Built
2019
Style
1 Story Frame
Area SF
150
Condition
Normal
Bsmnt SF
0
Heat
HW - Radiant
AC
Yes
Attic SF
0
Addition # 3
Year Built
2019
Style
1 Story Frame
Area SF
800
Condition
Normal
Bsmnt SF
800
Heat
HW - Radiant
AC
Yes
Attic SF
0
Garage # 1
Year Built
2019
Style
Att Frame
Area SF
1200
Condition
Above Normal
Bsmnt SF
0
Qtrs Over Style
Frame
Qtrs Over SF
540
Qtrs Over AC
540
Porch # 1
Area SF
228
Style
1S Frame Open
Bsmnt SF
0
Qtrs Style
Frame
Qtrs SF
0
Qtrs AC
No
Porch # 2
Area SF
216
Style
1S Frame Open
Bsmnt SF
0
Qtrs Style
Frame
Qtrs SF
0
Qtrs AC
No
Porch # 3
Area SF
156
Style
1S Frame Open
Bsmnt SF
0
Qtrs Style
Frame
Qtrs SF
0
Qtrs AC
Yes
Plumbing
Style
Count
Standard Bath - 3 Fixt
4
Extra Fixture
15
Basement Finish
Type
Range
Area SF
Minimal Finish
Avg
420
Living Qtrs. W/ Walk-out
High
1900
Decks & Patios
Style
Area SF
C.Blk/Brick Patio
734
Wood Deck
198
Concrete Patio
760
Yard Items
top
Yard Item # 1 details:
Descr
Swimming Pool (Residential)
Year Built
2019
Item Count
1
Condition
Normal
Type
Vinyl
Heater
None
Diving Board
None
Retractable Cover
No
Quantity
361 SFWSA
Yard Item # 2 details:
Descr
Paving - Concrete
Year Built
2021
Item Count
1
Condition
Normal
Paving Type
Concrete Roads
Price Method
Per Square Foot
Pricing
High
Quantity
2,600 Square Feet
# of Spaces
0
Lighting
None
Sales Information
top
Sale Date: 1/3/2014 - Property Type: Seasonal Rec. Residential
Buyer
BRANDT, TYLER A
Seller
LAVONNE M MARING TRUST
Sale Price
$1,250,000
Ins Type
Trustee Deed
Adj Sale Price
$1,000,000
Q/U
Q
Adj Reason
Personal Property
Q/U Reason
Good sale